交易商协会公告:权益出资型票据的募集资金用途可以用于股权投资和基金出资

2021-01-03 12:31:49

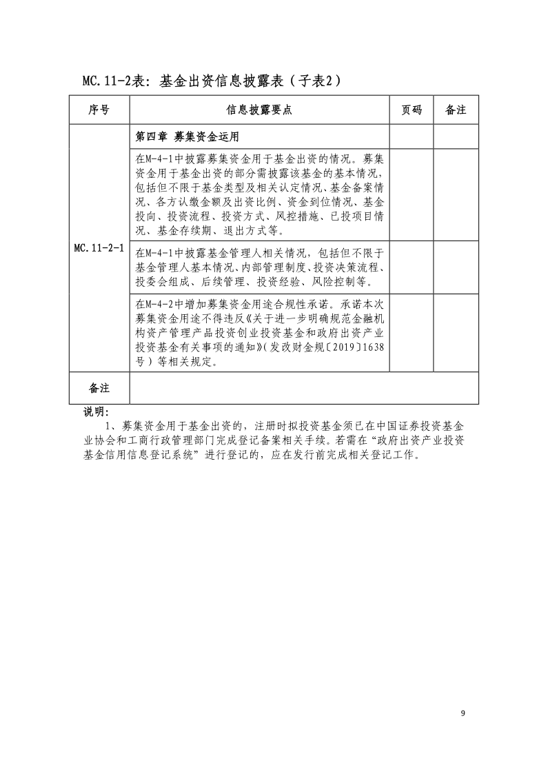
2020年12月31日,交易商协会在之前公布的并购型票据的基础上进行了整合升级,正式公布了《权益出资型票据信息披露表》(以下简称“披露表”),明确权益出资型票据的募集资金用途可以用于股权投资和基金出资这是交易商协会对于债务融资工具募集资金用途的重大突破和范围的提升,超越了之前的偿还公司债务、补充流动资金和项目投资范围

附:文件全文

image.png

image.png

image.png

image.png

image.png

image.png

image.png

image.png

image.png